首页
产品中心
新闻中心
公司新闻
技术资讯
关于我们
关于我们
公司资质
发展历程
联系我们
首页
产品中心
半导体激光器
多波长半导体激光模组
窄线宽半导体激光模组
叠阵半导体激光模组与模块
半导体激光器系统与配件
微片激光器
红外微片激光器 (1319nm/1064nm/1030nm/946nm)
可见微片激光器 (660nm/532nm/515nm/473nm)
紫外微片激光器 (355nm/343nm/266nm/257nm/213nm)
配件- 隔离器 / 旋光器
铒玻璃激光器
小能量铒玻璃激光器
高重频铒玻璃激光器
高能量铒玻璃激光器
配件-探测器/滤片
高能量固体激光器
皮秒固体激光器 (1064nm/532nm)
调Q固体激光器 (1064nm/532nm/355nm/266nm)
中红外铒激光器 (2940nm)
配件- 灯泵控制系统 / 导光臂 / 手具
新闻中心
公司新闻
技术资讯
关于我们
关于我们
公司资质
发展历程
联系我们
EN
CN
EN
半导体激光器
微片激光器
铒玻璃激光器
高能量固体激光器
多波长半导体激光模组
窄线宽半导体激光模组
叠阵半导体激光模组与模块
半导体激光器系统与配件
红外微片激光器 (1319nm/1064nm/1030nm/946nm)
可见微片激光器 (660nm/532nm/515nm/473nm)
紫外微片激光器 (355nm/343nm/266nm/257nm/213nm)
配件- 隔离器 / 旋光器
小能量铒玻璃激光器
高重频铒玻璃激光器
高能量铒玻璃激光器
配件-探测器/滤片
皮秒固体激光器 (1064nm/532nm)
调Q固体激光器 (1064nm/532nm/355nm/266nm)
中红外铒激光器 (2940nm)
配件- 灯泵控制系统 / 导光臂 / 手具
首页
>
新闻
>
公司新闻
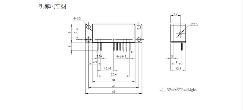
新品发布:新一代便携式LIBS用微片激光模组
2020-03-25
777